| Availability: | |
|---|---|
| Quantity: | |
WLUX
WEIDU
Thank you for choosing our Intelligent Vortex Precession Flow Meter. This product represents a cutting-edge gas flow measurement instrument developed by our company through years of practical experience and the adoption of advanced international technology. It integrates flow, temperature, and pressure detection functions, and supports automatic temperature, pressure, and compressibility factor compensation. With excellent anti-vibration and anti-interference capabilities, high accuracy, and superior repeatability, this flow meter is an ideal choice for gas measurement in industries such as petrochemicals, chemicals, power generation, and metallurgy.
1.1 Main Product Features
No mechanical moving parts, corrosion-resistant, stable, reliable, long service life, and requires no special maintenance during long-term operation.
Utilizes a 16-bit computer chip with high integration, compact size, excellent performance, and powerful functionality.
Intelligent flow meter integrates flow probe, microprocessor, pressure and temperature sensors in a built-in design for compact structure, capable of directly measuring flow, pressure, and temperature with real-time compensation and compression factor correction.
Employs dual-probe detection and advanced sensor processing technology, along with optimized installation, to enhance signal strength, ensure accurate detection, and suppress pipeline vibration interference.
Incorporates leading intelligent anti-vibration technology to effectively minimize interference from vibration and pressure fluctuations.
Features a Chinese character dot-matrix display for clear, intuitive reading, showing real-time volumetric flow, standardized volumetric flow, total volume, pressure, temperature, and other parameters.
Converter outputs frequency pulses, 4–20 mA analog signals, and includes an RS485 interface for computer connectivity over distances up to 1.2 km.
Supports multi-parameter alarm output, customizable by the user.
Pressure and temperature signals are sensor-input based, ensuring strong interchangeability.
Low power consumption, operable with built-in battery or external power supply.
1.2 Main Applications
The intelligent vortex precession flow meter is widely used in petroleum, chemical, power, metallurgical, and municipal gas supply industries for measuring various gas flows. It serves as the preferred choice for measurement and trade accounting in oilfields and urban natural gas transmission and distribution systems.
2.1 Flow Meter Structure
The swirl flow meter features a compact design, primarily composed of a housing, a swirl generator, sensors (temperature, pressure, and flow), a flow straightener, and a flow computer. (See FIG.1)

1. Vortex Generator 2. Housing 3. Intelligent Flow Totalizer 4. Flow Sensor 5. Temperature Sensor 6. Pressure Sensor 7. Flow Conditioner
FIG.1 Flow Meter Structure
Vortex Generator: Made of aluminum alloy with helical blades at a specific angle, fixed in the front section of the housing contraction to force fluid into a strong vortex flow.
Housing: Designed with flanges and a shaped fluid channel. Materials include cast aluminum alloy or stainless steel, depending on working pressure.
Intelligent Flow Totalizer: Consists of temperature/pressure detection analog channels, digital flow detection channels, a microprocessor unit, LCD drive circuit, and auxiliary circuits. Equipped with external signal interfaces.
Flow Sensor: Installed near the throat of the housing expansion section to detect the frequency signal of vortex precession.
Temperature Sensor: Uses Pt100/Pt1000 platinum resistors as sensing elements, with resistance corresponding to temperature within a specified range.
Pressure Sensor: Utilizes a piezoresistive diffused silicon bridge as the sensing element. Bridge resistance changes predictably under pressure, producing an output voltage proportional to pressure under excitation current.
Flow Conditioner: Fixed in the outlet section of the housing to eliminate vortex flow and minimizeimpact on downstream instrument performance.
2.2 Working Principle
The flow sensor has a flow passage profile similar to a Venturi tube (as shown in FIG.2). A set of helical guide vanes is installed at the inlet side. When fluid enters the sensor, the guide vanes force it into intense vortex flow. As the fluid moves into the diffusion section, the vortex is affected by backflow and undergoes secondary rotation, forming a gyroscopic precession. This frequency is proportional to the flow rate and is independent of fluid properties and density. By detecting the secondary rotational precession frequency, excellent linearity can be achieved across a wide flow range. The signal is amplified, filtered, and shaped by a preamplifier into a pulse signal proportional to the flow velocity. It is then sent to a microprocessor together with temperature and pressure signals for integration and processing. The final measurement results (instantaneous flow, total flow, temperature, and pressure) are displayed on an LCD screen. The block diagram of the integrator is shown in FIG.3.

FIG.2 Working Principle
2.3 Working Principle of Flow Totalizer
The flow totalizer consists of temperature and pressure detection analog channels, a flow sensor channel, and a microprocessor unit, with external signal output interfaces. The microprocessor compensates for temperature and pressure based on the gas equation and automatically corrects the compression factor, as expressed in the following gas equation:

Note: For bell prover or negative pressure calibration, ZN/Z is taken as 1. For natural gas, (ZN/Z)¹/² = F₂, which is the supercompressibility factor, calculated according to the formula in the Standard SY/T6143-1996 of China National Petroleum Corporation.

FIG.3 Functional Block Diagram of the Totalizer
3.1 Applicable Standard
JJQ1211-2015 "Verification Regulation of Vortex Precession Flow Meters"
3.2 Accuracy Class
Under specified flow range and operating conditions, the accuracy class of the flow meter is Class 1.0 and Class 1.5.
3.3 Flow Meter Parameters
Table 1 Flow Meter Parameters
Model Specifications | Nominal Diameter DN (mm) | Type | Operating Conditions Flow Range (m3/h) | Working Pressure (MPa) | Accuracy Class | Housing Material |
WLUX-25 | 25 | / | 2.5 ~ 30 | 1.6 2.5 4.0 6.3 | 1.0 1.5 | 1.6 MPa Cast Aluminum Alloy; 2.5 ~ 6.3 MPa Stainless Steel |
WLUX-32 | 32 | / | 4.5 ~ 60 | |||
WLUX-50A | 50 | Type A | 6.0 ~ 75 | |||
WLUX-50B | Type B | 10 ~ 130 | ||||
WLUX-80A | 80 | Type A | 18 ~ 200 | |||
WLUX-80B | Type B | 28 ~ 400 | ||||
WLUX-100A | 100 | Type A | 40 ~ 600 | |||
WLUX-100B | Type B | 55 ~ 800 | ||||
WLUX-150A | 150 | Type A | 60 ~ 900 | |||
WLUX-150B | Type B | 135 ~ 1800 | ||||
WLUX-200 | 200 | / | 240 ~ 3600 |
Note: Accuracy: System accuracy after temperature and pressure correction.
3.4 Standard Reference Conditions
P=101.325 kPa, T=293.15 K
3.5 Operating Environmental Conditions
Ambient Temperature: -30 °C ~ +65 °C;
Relative Humidity: 5% ~ 95%;
Media Temperature: -20 °C ~ +80 °C;
Atmospheric Pressure: 86 kPa ~ 106 kPa.
3.6 Power Supply and Signal Output
3.6.1 Power Supply
External Power: +24 V DC ±15%, ripple <5%. Suitable for 4-20mA output, pulse output, alarm output, RS-485 communication, etc.
Internal Power: One set of 3.6 V lithium battery (ER26500). A low battery indicator activates when the voltage falls below 3.0 V.
3.6.2 Power Consumption
External Power: <2 W.
Internal Power: Average power consumption 1mW, enabling continuous operation for over 1 year.
3.6.3 Pulse Output Mode
Operating Condition Pulse Signal: Directly outputs the operating condition pulse signal detected by the flow sensor via opto-coupler isolation and amplification. High level ≥20 V, low level ≤1 V.
Calibrated Pulse Signal: For use with IC card valve controllers. High level ≥2.8 V, low level ≤0.2 V. The volumetric volume represented per pulse is configurable from 0.001 m³ to 100 m³.
Note: When selecting this value, ensure the calibrated pulse signal frequency is ≤1000 Hz. The calibrated pulse signal is output via opto-coupler isolation and amplification, with a high level ≥20 V and a low level ≤1 V.
3.6.4 RS-485 Communication (Opto-isolated)
The RS-485 communication interface enables the following functions:
Utilizing the RS-485 interface, the flow meter can directly network with a host computer or secondary meter for remote transmission and display of medium temperature, pressure, standard volumetric flow rate (temperature and pressure compensated), and total standard volume.
When paired with an HW-I data collector via the RS-485 interface, it can form a telephone network communication system. One data collector can support up to 15 flow meters.
When paired with an HW-II data collector via the RS-485 interface, it can form a broadband network communication system for data transmission via the INTERNET. One data collector can support up to 8 flow meters.
3.6.5 4 ~ 20 mA Standard Current Signal (Opto-isolated)
The output is proportional to the standard volumetric flow rate. 4 mA corresponds to 0 m³/h, and 20 mA corresponds to the maximum standard volumetric flow rate (this value can be set in the primary menu). System: Two-wire or three-wire system. The flow meter can automatically recognize the installed current output module and output the signal correctly.
3.6.6 Control Signal Outputs
Lower Limit Alarm (LP): Opto-isolated, configurable for high or low-level alarm. Operating voltage: +12 V to +24 V. Maximum load current: 50 mA.
Upper Limit Alarm (UP): Opto-isolated, configurable for high or low-level alarm. Operating voltage: +12 V to +24 V. Maximum load current: 50 mA.
Valve Close Alarm Output (BC terminal, for IC Card Controller): Logic gate circuit output. Normal state: low level(amplitude ≤0.2V). Alarm state: high level (amplitude ≥2.8V). Load resistance ≥100 kΩ.
Battery Low Voltage Alarm Output (BL terminal, for IC Card Controller): Logic gate circuit output. Normal state: low level (amplitude ≤0.2V). Alarm state: high level (amplitude ≥2.8 V). Load resistance ≥100 kΩ.
3.7 On-site Display Functions
The integrator display panel shows real-time temperature, pressure, instantaneous flow rate, and accumulated flow under operating (or standard) conditions.
Alarm Functions: Alarms for flow upper/lower limits, temperature upper/lower limits, and pressure upper / lower limits. Alarm method: character blinking on the display.
3.8 Explosion-Proof Type and Class
Flameproof Type: Marking Exd II CT6 Gb
3.9 Protection Rating IP66
3.10 Pressure Loss
The actual pressure loss of the flow meter is calculated according to the following formula:

Its characteristic curve is shown in FIG.4.

FIG.4 Pressure Loss Curve
3.11 Electrical Connection Interface
Internal thread M20 × 1.5
3.12 Selection Guide
3.12.1 Selection Criteria
When placing an order, users should select the appropriate flow meter model and specifications based on the pipeline's nominal pressure, maximum working pressure, working temperature, flow range, environmental conditions, and other relevant factors.
3.12.2 Proper Selection Procedure
If the flow rate provided by the user is the working condition flow rate, the corresponding flow meter diameter can be selected directly according to Table 2.
If the flow rate provided by the user is the standard condition flow rate, it should be converted to the working condition flow rate before selecting the corresponding flow meter diameter.
Conversion Formula:

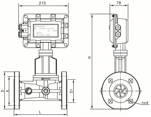
The external dimensions of the flow meter are shown in FIG.5, with unspecified dimensions provided in Table 2. The flow meter adopts a flange connection method. The flange dimensions comply with the Flange Standard GB/ T9124-2019.

FIG.5 External View of Flow Meter
Unit: mm Table 2
Nominal Diameter | Pressure Rating (MPa) | L | H | D | K | n-d |
25 | 1.6 ~ 4.0 | 182 | 347 | 115 | 85 | 4-Φ14 |
32 | 1.6 ~ 4.0 | 200 | 362 | 140 | 100 | 4-Φ18 |
50 | 1.6 ~ 4.0 | 233 | 405 | 165 | 125 | 4-Φ18 |
80 | 1.6 ~ 4.0 | 330 | 428 | 200 | 160 | 8-Φ18 |
100 | 1.6 | 410 | 446 | 220 | 180 | 8-Φ18 |
150 | 1.6 | 580 | 509 | 285 | 240 | 8-Φ22 |
200 | 1.6 | 700 | 560 | 340 | 295 | 12-Φ22 |
Note: The above data is for reference only and subject to the actual product. Technical upgrades may be implemented without prior notice.
4.2 Flow Meter Installation
4.2.1 Installation of the Flow Meter
During installation, electric welding directly on the inlet/outlet flanges of the flow meter is strictly prohibited to avoid damaging its internal components.
For newly installed or repaired pipelines, thorough cleaning to remove any debris inside the pipes is essential before installing the flow meter.
Install the flow meter in a location that is accessible for maintenance, and free from strong electromagnetic interference, severe mechanical vibration, and significant thermal radiation.
The flow meter is not recommended for applications with frequent flow interruptions, strong pulsating flow, or significant pressure pulsations.
For outdoor installation, provide a cover above the flow meter to protect it from rainwater and direct sunlight, which can affect its service life.
The flow meter can be installed at any angle. Ensure the fluid direction matches the flow direction indicated on the meter.
During pipeline construction, consider installing expansion joints or bellows to prevent excessive stress or rupture of the flow meter.
Install the flow meter coaxial with the pipeline. Take care to prevent gasket material or grease from entering the flow meter's internal cavity.
When using an external power supply, the flow meter must be reliably grounded. It must not share a ground line with high-power electrical systems. During pipeline installation or maintenance, do not connect electric welding system ground cables to the flow meter.
To ensure uninterrupted fluid conveyance and facilitate maintenance, install a bypass pipeline as shown in FIG.6. Ensure straight pipe sections of at least 3DN upstream and 1DN downstream are provided.

FIG.6 Bypass Pipeline Installation Diagram
4.2.2 Straight Pipe Section Requirements
Based on the working principle of the vortex precession flow meter and its requirements for upstream and downstream straight pipe sections, it is recommended to adopt the straight pipe section lengths before and after the meter as shown in FIG.7 for various upstream flow-disturbing components. Furthermore, the inner wall of the straight pipe sections should be kept smooth and straight.
Instructions | Illustrations |
Ensure that the length of the straight pipe run on its upstream side is at least 3D, and that on its downstream side is at least 2D. For a schematic diagram, refer to I (D:Nominal diameter of the vortex precession flow meter). |
|
Bend Installation: For bends, a minimum straight pipe section of 3D shall be maintained upstream, and a minimum straight pipe section of 2D shall be maintained downstream. Refer to II for the schematic diagram. | |
For reducer installation: Ensure a straight pipe section upstream of the reducer with a length of at least 3D, and a straight pipe section downstream with a length of at least 2D. Refer to III for illustration. | |
Expanding Pipe Section: For the expanding pipe section, ensure that the upstream straight pipe length is at least 3D, and the downstream straight pipe length is at least 2D. Refer to IV for the schematic diagram. | |
Valve: If a valve is installed on the upstream side, ensure that the upstream straight pipe length is at least 5D and the downstream straight pipe length is at least 2D. Refer to V for illustration. |
FIG.7 Straight Pipe Run Requirements for Flow Meter Installation
4.2.3 Installation Precautions
The sensor can be installed in vertical, horizontal, or any inclined orientation according to the flow direction marking.
When the pipeline is long or close to vibration sources, supports should be installed upstream and downstream of the flow meter to eliminate the effects of pipeline vibration.
The sensor installation site must provide sufficient space to facilitate inspection and maintenance of the flow meter and must meet the environmental requirements for the flow meter.
Avoid interference from strong external magnetic fields.
For outdoor installation, provide a protective cover to avoid exposure to direct sunlight and rain erosion, which can affect the service life of the instrument.
During pipeline pressure testing, pay attention to the pressure measurement range of the pressure sensor configured with the intelligent flow meter to avoid overpressure damage.
Consider the effects of installation stress. The upstream and downstream piping should be coaxial with the flow meter to avoid shear stress. Account for the thickness of sealing gaskets during installation, or install a flexible expansion joint downstream.
Remove welding slag and other debris from the pipeline before installing the flow meter.
During commissioning, open the upstream and downstream valves of the flow meter slowly to prevent instant excessive flow velocity from damaging the swirl generator.
When remote signal transmission is required for the flow meter, strictly connect the external power supply according to the "Operating Power Supply" requirements (8–24 V DC). Never directly connect 220 V AC or 380 V AC power to the signal output port.
The user shall not alter the wiring method of the explosion-proof system or arbitrarily loosen the output lead connectors.
During the operation of the flow meter, the rear cover shall not be opened arbitrarily to modify the instrument parameters, as this may affect the normal operation of the flow meter.
Periodically inspect the flow meter for leaks at the flange connections.
4.2.4 Use and Replacement of Built-in Battery
1) Battery Level Indication
When only one bar of battery level remains displayed, the user is required to replace the battery within one month. When only the battery outline symbol is displayed, the battery power is exhausted and must be replaced immediately.
2) Battery Replacement Method
Open the rear cover of the Smart Flow Totalizer, loosen the three screws on the battery cover plate, dis-connect the battery socket,and remove the battery. After installing the new battery, reassemble the unit.
4.2.5 Installation Requirements for Explosion-Proof Areas
The flow meter shall be reliably grounded. The explosion-proof grounding must not share the protective grounding of the strong electrical system.
When testing the power supply on-site, the use of AC power supply grounding is not permitted.
Under no circumstances shall the user modify the explosion-proof circuits, components, or explosion-proof type.
The external power supply must be disconnected before opening the converter cover.
5.1 Packing
Flow meters shall be packed in solid wooden cases (medium and small diameter flow meters with foam cushioning may be packed in cartons) and shall not have free movement inside the container. Handle with care during transportation.
5.2 Transportation
The transportation and storage conditions for flow meters shall comply with the requirements of GB/T 25480-2010 "Basic Environmental Conditions and Test Methods for Transportation and Storage of Instruments and Apparatus".
5.3 Storage
Flow meters shall be stored under the following conditions:
1) Protection from rain and moisture;
2) Free from mechanical vibration or impact;
3) Temperature range: 5 °C ~ 40 °C;
4) Relative humidity: not exceeding 90%;
5) Environment free from corrosive gases.