| Availability: | |
|---|---|
| Quantity: | |
WF
WEIDU
The WF Series open-channel flow meter is a differential pressure type flow measurement instrument. This flow meter features automatic tracking compensation for differential pressure, temperature, and concentration of the measured gas, directly displays the total gas volume under standard conditions, and supports multiple signal output options.
It is suitable for applications such as flow measurement of boiler gas and coke oven gas in steel enterprises, flow metering at natural gas station sites, and flow measurement of wellhead natural gas in gas storage facilities.
Self-rectifying effect, requiring short straight pipe sections (Class 1.0 meter: 5D upstream and 2D downstream; Class 2.0 meter: no straight pipe section required).
The flow meter adopts wall pressure tapping, free from vortex and backflow interference, with pressure tapping holes resistant to clogging.
The spindle body features smooth arc surfaces and a streamlined design, without sharp edges, offering wear resistance, long-term stability, and extended service life.
Low measurement lower limit and relatively small permanent pressure loss. The pressure loss is 1/5 to 1/3 of that of an orifice plate, allowing a smaller equivalent diameter ratio and a lower measurement lower limit.
Measurement is unaffected by humidity and moisture; the throttling section does not accumulate liquid.
Minor moisture and impurities in gas do not affect the flow meter’s operation.
Equipped with high-precision digital temperature sensors and digital pressure sensors. The digital pressure sensor includes built-in temperature compensation and correction, ensuring high pressure detection accuracy, long-term stability, and minimal temperature drift.
Capable of automatically detecting medium temperature, pressure, and concentration values, performing temperature and pressure corrections, and converting working-condition volume flow and total volume to standard-condition volume flow and total volume.
Features a large-capacity data storage system with anti-tampering functionality, automatically recording critical data modifications and historical data.
As a novel throttling flow meter, the trough flow meter generates annular trough flow inside the device when gas passes through the spindle-shaped throttling element, with flow rate calculated based on throttling differential pressure. The flow calculation formula is as follows:

FIG.1

FIG.2
As shown in FIG.1 and 2, the channel-type flow meter converts any complex upstream flow into an annular channel flow, thereby significantly reducing or even eliminating the typical straight-run pipe requirements upstream and downstream of the flow meter.
4.1 Applicable Standards
The WF Series Flume Flow Meter complies with the enterprise standard Q/WD005-2025 "Flume Gas Flow Meter" and the verification regulation JJG640-2016 "Differential Pressure Flow Meter". The product also conforms to the relevant sections of GB/T3836.1-2021 "Explosive Atmospheres – Part 1: Equipment General Requirements" and the standard GB/T3836.4-2021 "Explosive Atmospheres – Part 4: Equipment protected by intrinsic safety 'i'".
4.2 Accuracy Class
Accuracy Class: 1.0; Repeatability: better than 0.1%; Turndown Ratio: 5:1.
Accuracy Class: 2.0; Repeatability: better than 0.1%; Turndown Ratio: 10:1(Expandable to 30:1, 150:1 with multiple differential pressure sensor combinations).
4.3 Basic Parameters Are Listed In Table 1
Table 1
Nominal Diameter (DN) | Model | G-Rating | Flow Range (m3/h) | Max. Pressure Loss (kPa) | Pressure Rating (MPa) | Housing Material | Reference Weight (kg) |
200 | WF-200 | G1600 | 250 ~ 2500 | ≤2 | ≤40 | Q235 | 68 |
250 | WF-250 | G1600 | 250 ~ 2500 | 100 | |||
300 | WF-300 | G2500 | 400 ~ 4000 | 145 | |||
| 350 | WF-350 | G2500 | 400 ~ 4000 | 193 | |||
| G4000 | 650 ~ 6500 | ||||||
| 400 | WF-400 | G4000 | 650 ~ 6500 | 240 | |||
| G6500 | 1000 ~ 10000 | ||||||
450 | WF-450 | G6500 | 1000 ~ 10000 | 327 | |||
G10000 | 1600 ~ 16000 | ||||||
500 | WF-500 | G6500 | 1000 ~ 10000 | 400 | |||
G10000 | 1600 ~ 16000 | ||||||
600 | WF-600 | G10000 | 1600 ~ 16000 | 579 | |||
G16000 | 2500 ~ 25000 | ||||||
700 | WF-700 | G10000 | 1600 ~ 16000 | 605 | |||
G16000 | 2500 ~ 25000 | ||||||
800 | WF-800 | G16000 | 2500 ~ 25000 | 812 | |||
G25000 | 4000 ~ 40000 | ||||||
1000 | WF-1000 | G25000 | 4000 ~ 40000 | 1260 | |||
G40000 | 6500 ~ 65000 | 1915 | |||||
1200 | WF-1200 | G40000 | 6500 ~ 65000 | 2522 | |||
G65000 | 10000 ~ 100000 | 3378 | |||||
1400 | WF-1400 | G65000 | 10000 ~ 100000 | 4224 | |||
G100000 | 16000 ~ 160000 | 5488 | |||||
1600 | WF-1600 | G65000 | 10000 ~ 100000 | 6282 | |||
G100000 | 16000 ~ 160000 | 7602 | |||||
1800 | WF-1800 | G100000 | 16000 ~ 160000 | 8742 | |||
G160000 | 25000 ~ 250000 | 10410 | |||||
2000 | WF-2000 | G100000 | 16000 ~ 160000 | 1260 | |||
G160000 | 25000 ~ 250000 | 1915 | |||||
2200 | WF-2200 | G160000 | 25000 ~ 250000 | 2522 | |||
G250000 | 40000 ~ 400000 | 3378 | |||||
2400 | WF-2400 | G160000 | 25000 ~ 250000 | 4224 | |||
G250000 | 40000 ~ 400000 | 5488 | |||||
2600 | WF-2600 | G250000 | 40000 ~ 400000 | 6282 | |||
G400000 | 65000 ~ 650000 | 7602 | |||||
2800 | WF-2800 | G250000 | 40000 ~ 400000 | 8742 | |||
G400000 | 65000 ~ 650000 | 10410 | |||||
Note:
| |||||||
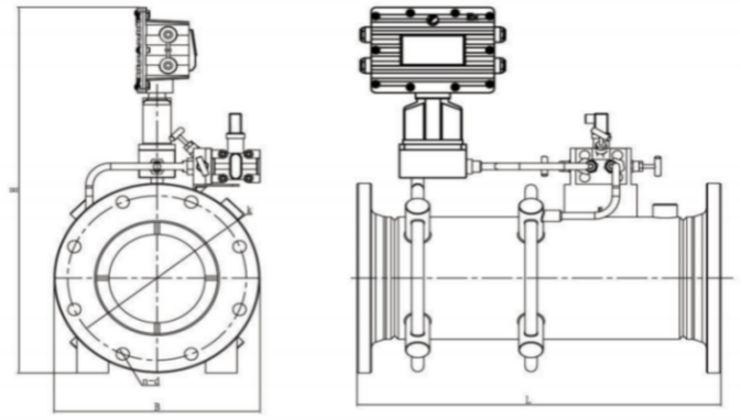
Overall dimensions are shown in FIG.3 (see Table 2), and flange dimensions are in accordance with GB/T9124-2019.

FIG.3
Unit: mm Table 2
Nominal Diameter | L | H | D | k | n-d |
DN200 | 600 | 697 | 340 | 295 | 8*Φ22 |
DN250 | 750 | 752 | 395 | 350 | 12*Φ22 |
DN300 | 900 | 803 | 445 | 400 | 12*Φ22 |
DN350 | 1050 | 863 | 505 | 460 | 16*Φ22 |
DN400 | 1200 | 913 | 565 | 515 | 16*Φ26 |
DN450 | 1350 | 965 | 615 | 565 | 20*Φ26 |
DN500 | 1500 | 1017 | 670 | 620 | 20*Φ26 |
DN600 | 1800 | 1122 | 780 | 725 | 20*Φ30 |
DN700 | 2100 | 1225 | 895 | 840 | 24*Φ30 |
DN800 | 2400 | 1335 | 1015 | 950 | 24*Φ33 |
DN1000 | 3000 | 1542 | 1230 | 1160 | 28*Φ36 |
DN1200 | 3600 | 1755 | 1455 | 1380 | 32*Φ39 |
DN1400 | 4200 | 1965 | 1675 | 1590 | 36*Φ42 |
DN1600 | 4800 | 2185 | 1915 | 1820 | 40*Φ48 |
DN1800 | 5400 | 2385 | 2115 | 2020 | 44*Φ48 |
DN2000 | 6000 | 2590 | 2325 | 2230 | 48*Φ48 |
DN2200 | 6600 | 2810 | 2550 | 2440 | 52*Φ56 |
DN2400 | 7200 | 3016 | 2760 | 2650 | 56*Φ56 |
DN2600 | 7800 | 3207 | 2960 | 2850 | 60*Φ56 |
DN2800 | 8400 | 3417 | 3180 | 3070 | 64*Φ56 |
6.1 Operational Display Status
6.1.1 Operational Display of WF Series Flume Flow Meter (See FIG.4)

FIG.4
The total methane volume and total gas volume (standard volume) can be displayed in either of 2 modes as selected by the user, or in an alternating display mode with a 2-second interval. Values can be retained up to 4 decimal places, with automatic carry-over upon overflow, and a maximum value of 9,999,999,999 Nm³.
Flow rate can be displayed in either working condition or standard condition as selected by the user, or in an alternating display mode with a 2-second interval. Values can be retained up to 3 decimal places, with automatic carry-over upon overflow, and a maximum value of 99,999 m³/h.
Methane concentration is displayed from 0 to 99.99%, with values retained to 2 decimal places.
Methane flow rate or carbon monoxide flow rate is displayed in standard condition. The user can select either display mode or choose an alternating display mode with a 2-second interval. Values can be retained up to 3 decimal places, with automatic carry-over upon overflow, and a maximum value of 99,999 m³/h.
Carbon monoxide concentration display indicates the content of carbon monoxide.
Temperature display range is from -30 °C to +110 °C.
Pressure values can be retained to at least 1 decimal place, with a minimum value of 1 kPa and a maximum value of 9,999 MPa. The unit can be set by the user in the integrator.
Supports RS485 bus communication and Modbus protocol.
6.2 Key Operations
Function Key: Press and hold for 3 seconds to enter the setup menu. Press and hold for 3 seconds again in any non-modification state to exit setup mode. Within the setup menu, it acts as a page turn key. In data modification mode, it serves as the save key.
Cursor Shift Key: Selects the cursor position for data modification.
Data Key: In data modification mode, this key increments the numerical value.
Return Key: Returns to the previous menu level after data modification is completed.
6.3 Parameter Configuration
To prevent unauthorized modifications to the instrument's parameters that could affect measurement accuracy, this instrument features a dual-password protection function. Modifying or configuring any parameter requires prior confirmation of the corresponding password. Only after correct confirmation can parameters be modified or set. When a specific digit of a parameter is available for modification, it will be indicated by blinking on the LCD display. All configurable parameters are displayed on the LCD screen through key operations. Their definitions, symbols, and displays are listed in Table 3.
Table 3 Button Functions
Display Sequence | Definition | Display Mode | Description | ||
Symbol | Value | ||||
Password Entry Page P_00 | User password | Code | xxxx | For security purposes, all passwords are displayed as 0000. | |
Content displayed upon entering the user password | P_01 | Communication Baud Rate | baud | xxxxxx | 9600 (default), 19200, 38400 |
P_02 | Communication Address | addr | x.xxx | Range: 1-255 Default: 1 | |
P_03 | Relative Gas Density | Gr | x.xxx | Range: 0-0.75 Default: 0.65 | |
P_04 | Maximum Pressure | P-H | xxxx | Default: 1000 | |
P_05 | High/Low Level Output Selection | LVL | X-X | H-L (default), L-H | |
P_06 | Instantaneous Flow Rate Display Selection | q-- | Xxx | qb Standard Condition (Default) , qbn Automatic Switching Between Operating and Standard Conditions, qnn Operating Condition Flow Rate | |
| P_07 | Total Gas Volume Display Selection | K | Xxx | Kb Total Gas Quantity (Standard Conditions, Default), Kbn Total Gas Quantity (Operating Conditions) | |
| P_08 | Total Display Mode Selection | C | Xx | C1 Gas Total, C2 Methane Total, C3 Auto-Switch (Default) | |
| P_09 | Multi-Parameter Flow Display | D | Xx | D1 Methane Instantaneous Flow Rate (Default), D2 Carbon Monoxide Instantaneous Flow Rate | |
| P_10 | Pressure Unit Selection | P | Xx | P1. kPa (default), P2. MPa | |
| P_11 | Date & Time Settings | d-t | YYYY-MM-DD ddd HH:mm | ||
6.3.1 Password Confirmation
Press and hold the SET key (K1) until the display enters the password state. Then, sequentially use the numeric key (K3) and the shift key (K2) to set the corresponding password digit by digit from right to left. Finally, press the SET key (K1) to confirm.
6.3.2 Parameter Setting
After the password is correctly confirmed, various parameters can be modified or set. Press the SET key (K1) to navigate to the parameter to be modified or set. Use the numeric key (K3) and the shift key (K2) to set the value digit by digit from right to left. Once the value is correctly set, press the SET key (K1) to confirm. After setting all parameters, press and hold the SET key (K1) to exit the setting state. The instrument will then return to its initial operating state. (If the reset key (K4) is not pressed and no key is operated within 2 minutes after modifying or setting parameters, the instrument will automatically return to its initial operating state.)
Note: The parameters following the factory password (PP) are preset at the factory. Users should not modify them arbitrarily, as this may affect the instrument's measurement accuracy or normal operation.
6.4 Wiring Method
6.4.1 Wiring Diagram for Volume Corrector External Power Supply and Output Terminals (See FIG.5). The definitions and functions of each lead are as follows:

FIG.5 Wiring Diagram for External Power Supply and Output of Volume Corrector
a. Aviation Socket (7-pin) Pinout Description:
V+ –– External power supply positive (9–32 V D.C.), Red.
G –– External power supply negative, Black.
Pout ––Operating/Standard Condition Pulse Signal Output.
A1 –– RS-485 communication line A, Blue.
B1 –– RS-485 communication line B, Green.
A2 –– RS-485 communication line A, Orange.
B2 –– RS-485 communication line B, White.
b. Other Terminals:
I+ –– 4–20 mA output positive.
I- –– 4–20 mA output negative.
Note: The wiring connections can be seen on the rear cover of the volumetric corrector. All internal sensor leads have been pre-connected at the factory and must not be altered arbitrarily. If disassembly is required, please refer to the wiring diagram on the rear cover and reconnect according to the corresponding markings.
6.4.2 System Wiring
6.4.2.1 RS485 Communication Mode (as shown in FIG.6)

FIG.6 RS-485 Communication (Optional Safety Barrier GS8593-EX3)
6.4.2.2 Pulse Signal Output (The operating pulse signal is proportional to the standard volumetric flow rate, provided as a frequency signal) (Refer to FIG.7)

FIG.7 Pulse Output (Optional Safety Barrier PF-728)
6.4.2.3 Two-Wire 4–20 mA Current Output (See FIG.8)

FIG.8 Two-Wire Current Output (Optional Safety Barrier GS8547-EX)
Warning: Do not open the cover in the presence of explosive gas; the unit must not be energized when the aviation connector is disconnected.
The flow meter shall be packed in a solid wooden case (medium and small diameters may be packaged with foam and carton) and must not move freely inside the box. During handling, it shouldbe lifted and placed with care, and rough handling is not permitted.
The transportation and storage conditions of the flow meter shall comply with the requirements of GB/T 25480-2010 "Basic Environmental Conditions and Testing Methods for Transportation and Storage of Instrumentation."
The flow meter shall be stored under the following conditions:
Protected from rain and moisture;
Free from mechanical vibration or impact;
Temperature range: 5 °C ~ 40 °C;
Relative humidity: not exceeding 90%;
Environment free of corrosive gases.
When unboxing, first inspect the integrity of the external packaging, then check the contents of the box and the accompanying documents against the packing list to ensure completeness.
Accompanying documents and items:
Packing list
User manual
Product calibration certificate or verification certificate
Product qualification certificate
Prior to ordering the product, please carefully read this manual. Select the appropriate flow meter based on the nominal pipe diameter, nominal pressure, flow rate range, maximum medium pressure, medium temperature range, and environmental conditions.
When placing an order, please complete the Basic Parameter Sheet accurately.
