| Availability: | |
|---|---|
| Quantity: | |
VDQ-A
WEIDU
The IoT IC Card Controller (hereinafter referred to as the "Controller") is a new type of device designed for use with various series of gas flow meters, such as Roots and turbine meters. It enables IC card-based gas sales management or wireless remote control and management. This product is widely applicable to the flow measurement of various gases and serves as an ideal metering instrument for industrial and commercial users, including factories, institutions, hotels, hospitals, and large shopping centers. It offers accurate measurement, reliable performance, and the ability to display relevant information. The controller can promptly open or close valves to regulate gas usage. It is suitable for environments with pipeline pressures below 600 kPa.
The product has been inspected and qualified by the national explosion-proof product quality supervision department in accordance with the standards GB/T3836.1-2021 "Explosive Atmospheres - Part 1: Equipment - General Requirements" and GB/T3836.4-2021 "Explosive Atmospheres - Part 4: Equipment Protection by Intrinsic Safety 'i'".
Working Pressure: ≤0.6 MPa
Working Voltage: 7.2 V Lithium Battery
Standby Current: <100 μA
Instantaneous Maximum Current during Valve Opening: <400 mA
Pipe Connection: Flange Connection
Battery Life: ≤3 Years
Operating Environment: -20 °C ~ 60 °C
Relative Humidity: ≤93%
Applicable Gas Sources: LPG, Natural Gas, Biogas
Table 1
Model | Diameter (mm) | Working Pressure (MPa) | Max. Working Pressure (MPa) |
VDQ-A-32 | DN32 | ≤0.6 | 0 ~ 0.005 |
VDQ-A-40 | DN40 | ≤0.6 | 0 ~ 0.005 |
VDQ-A-50 | DN50 | ≤0.6 | 0 ~ 0.01 |
VDQ-A-80 | DN80 | ≤0.6 | 0 ~ 0.015 |
VDQ-A-100 | DN100 | ≤0.6 | 0 ~ 0.02 |
VDQ-A-150 | DN150 | ≤0.4 | 0 ~ 0.03 |
VDQ-A-200 | DN200 | ≤0.4 | 0 ~ 0.036 |

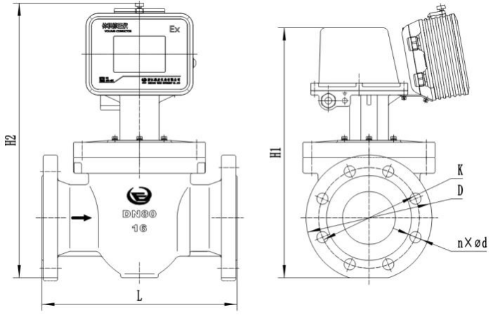
FIG.1 VDQ-A Overall Dimensions Drawing
VDQ-A Unit: mm Table 2
Diameter | L Length | H1 Height | H2 Height | Width | Nominal Pressure | Flange Connection Hole n×Φd | Flange Bolt Hole Pitch Circle Diameter K | Flange Outer Diameter D |
DN32 | 230 | 365 | 400 | 170 | 1.6 MPa | 4×Φ18 | Φ100 | Φ140 |
DN40 | 230 | 365 | 400 | 170 | 4×Φ18 | Φ110 | Φ150 | |
DN50 | 230 | 365 | 400 | 175 | 4×Φ18 | Φ125 | Φ165 | |
DN80 | 310 | 400 | 440 | 210 | 8×Φ18 | Φ160 | Φ200 | |
DN100 | 350 | 430 | 470 | 246 | 8×Φ18 | Φ180 | Φ220 | |
DN150 | 480 | 500 | 540 | 336 | 8×Φ22 | Φ240 | Φ285 | |
DN200 | 520 | 550 | 590 | 390 | 12×Φ22 | Φ295 | Φ340 | |
DN250 | 490 | 640 | 680 | 400 | 12×Φ26 | Φ355 | Φ405 | |
DN300 | 590 | 690 | 730 | 450 | 12×Φ26 | Φ410 | Φ460 |
The controller shall be installed in a well-ventilated location, away from heat sources, and shall be protected against rain, moisture, and prolonged direct sunlight. The installation height must comply with local safety regulations, as illustrated in FIG.2.

FIG.2 Controller Installation Diagram
Before connecting the controller, remove any debris inside the pipeline and ensure the pipeline is leak-free.
The VDF-A controller must be installed horizontally, with the inlet and outlet correctly connected according to the direction indicated by the arrow marks.
Ensure there is no gas leakage at the connection points between the pipeline and the gas controller.
The gas pressure entering the flow controller must not exceed 0.4 MPa.
After installation, apply soapy water to the inlet and outlet areas to check for leaks. Only confirm normal use after verifying there is no leakage. The use of an open flame for leak detection is strictly prohibited to prevent accidents.
During installation, pay attention to the gas flow direction arrow on the bottom of the valve. The arrow indicates the direction of gas flow and must not be installed in reverse.
When ordering this product, select the appropriate model based on the nominal pipe diameter, flow range, maximum media pressure, and power supply requirements of the connected flow meter, according to your specific operating needs.
