| Availability: | |
|---|---|
| Quantity: | |
WRZ
WEIDU
The WR series gas Roots flow meter is a high-precision, highly reliable, wide-range positive displacement metering instrument, primarily used for accurately measuring the gas flow rate in enclosed pipelines. This flow meter features automatic pressure and temperature tracking compensation for the measured gas, directly displaying the total gas volume under standard conditions.
It is suitable for measuring non-corrosive gases such as natural gas, city gas, propane, air, nitrogen, carbon dioxide, and industrial inert gases. Widely applied in commercial gas settlement for industries such as catering and hospitality, as well as in gas metering for distribution pipeline networks, gas pressure regulation, and industrial or residential boiler systems.
Wide turndown ratio (>100:1), low starting flow, and minimal pressure loss, making it suitable for applications with significant flow load variations.
High measurement accuracy and strong reliability, unaffected by changes in pressure and flow.
High-precision machining and repositioning technology ensure excellent inter-changeability and compatibility between components, providing superior repeatability and long service life.
No requirement for upstream or downstream straight pipe sections, allowing installation in confined spaces.
Utilizes high-accuracy digital temperature sensors and digital pressure sensors with built-in temperature compensation and calibration functions, delivering high-pressure detection accuracy, long-term stability, and minimal temperature drift.
Automatically detects medium temperature and pressure, performing temperature, pressure, and compressibility factor corrections to convert working condition volumetric flow and total volume to standard condition volumetric flow and total volume.
Employs advanced micro-power consumption technology, enabling long-term operation powered by internal batteries.
Features large-capacity data storage with anti-tampering protection, automatically recording critical data modifications and historical data.
Includes real-time data storage to prevent data loss during battery replacement or power outages, ensuring permanent retention of internal parameters even without power.
Supports embedded 4G or NB wireless modules, enabling various wireless meter reading systems. It can achieve limited wireless transmissions (once daily) powered by internal batteries without external power sources for convenience, or unlimited data transmissions with external power supply.
The gas Roots flow meter is a high-precision positive displacement flow measuring instrument. It mainly consists of a housing, rotor assembly, and cover plates forming a fixed measuring chamber. When gas enters the flow meter, a pressure difference (Pin>Pout) is generated between the inlet and outlet, acting on the rotors. Through two high-precision synchronous gears (attached to the rotors), the rotors are driven to maintain correct relative positioning during rotation. Constant gaps are kept between the rotors, between the rotors and housing, and between the rotors and cover plates, enabling continuous non-contact rotation. Each full rotation of the rotors discharges gas equivalent to four times the chamber volume (one cyclic volume). The number of rotor rotations is proportional to the volume of gas passing through the flow meter.
The mechanical drive powers a mechanical counter.
Based on electromagnetic induction, a magnetic sensor detects pulse signals from a synchronously rotating signal disk, which are proportional to the fluid volume flow. These signals are sent to a volume corrector and processed together with temperature and pressure data, with results displayed on the screen. The working principle during metering is shown in FIG.1 (depicting only a quarter cycle). The structure of the Roots flow meter is shown in FIG.2.

FIG.1 Operational Diagram

1. Volume Corrector 2. Bearing Housing 3. Roots Rotor 4. Synchronization Gear 5. Signal Triggering Disc 6. Housing / Casing 7. Oil Filling Port 8. Sight Glass / Oil Level Window 9. Oil Drain Port
FIG.2 Structural Diagram of Gas Roots Flow Meter
Accuracy: Class 1.0 and 1.5 within the specified flow range and operating conditions.
Class 1.0: 0.2Qmax ~ Qmax: ±1.0%; Qmin ~ 0.2Qmax: ±2.0%.
Class 1.5: 0.2Qmax ~ Qmax: ±1.5%; Qmin ~ 0.2Qmax: ±3.0%.
Temperature Display Error: ≤±0.5°C
Pressure Display Error: ≤±0.2%
Mechanical Specifications: Flow meter models and basic parameters are provided in Table 1.
Table 1
Nominal Diameter | G-Rating | Flow Range (m3/h) | Nominal Pressure (MPa) | Accuracy Class | Start-up Flow (m3/h) | Max. Pressure Loss (m3/h) | Range |
20 (0.8") | G6 | 0.2 ~ 10 | 1.6 | Class 1.0 or Class 1.5 | 0.04 | 0.15 | 50:1 |
25 (1") | G10 | 0.4 ~ 16 | 0.06 | 0.20 | 40:1 | ||
G16 | 0.4 ~ 25 | 0.06 | 0.25 | 65:1 | |||
40 (1.5") | G16 | 0.5 ~ 25 | 0.07 | 0.10 | 50:1 | ||
G25 | 0.5 ~ 40 | 0.07 | 0.10 | 80:1 | |||
G40 | 0.5 ~ 65 | 0.07 | 0.25 | 130:1 | |||
50 (2") | G16 | 0.5 ~ 25 | 0.07 | 0.10 | 50:1 | ||
G25 | 0.5 ~ 40 | 0.07 | 0.10 | 80:1 | |||
G40 | 0.5 ~ 65 | 0.07 | 0.25 | 130:1 | |||
G65 | 0.5 ~ 100 | 0.07 | 0.35 | 200:1 | |||
80 (3") | G100 | 0.8 ~ 160 | 0.10 | 0.35 | 200:1 | ||
G160 | 1.6 ~ 250 | 0.15 | 0.40 | 160:1 | |||
100 (4") | G160 | 1.6 ~ 250 | 0.15 | 0.35 | 160:1 | ||
G250 | 2.0 ~ 400 | 0.30 | 0.40 | 200:1 | |||
G400 | 4.0 ~ 650 | 0.60 | 0.70 | 160:1 | |||
150 (6") | G400 | 4.0 ~ 650 | 0.70 | 0.60 | 160:1 | ||
G650 | 6.5 ~ 1000 | 0.70 | 0.80 | 160:1 | |||
200 (8") | G1000 | 10 ~ 1600 | 1.20 | 0.70 | 160:1 |
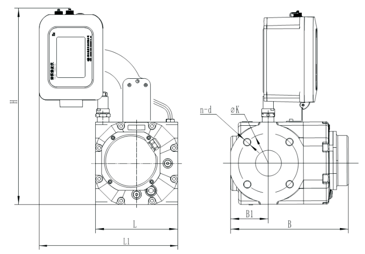
The flow meter dimensions are shown in FIG.3, with specific values provided in Table 2. The flow meter adopts a flange connection, and the flange dimensions comply with the GB/T 9124-2019 standard.

FIG.3 WRZ Outline Dimensions Drawing
Unit: mm Table 2
Nominal Diameter (DN) | G-Rating | L | L1 | H | B | B1 | K | n-d | Remark | ||
WRZ/ WRD | WRM | WRZ | WRM/ WRD | ||||||||
20 (0.8") | G6 | 130 | 255 | 286 | / | 156 | / | 45 | 75 | 4×M12 | M12×35 |
25 (1") | G10 | 130 | 268 | 375 | 137 | 198 | 247 | 55 | 85 | 4×M12 | M12×35 |
G16 | 130 | 268 | 375 | 137 | 198 | 247 | 55 | 85 | 4×M12 | M12×35 | |
40 (1.5") | G16 | 172 | 289 | 410 | 172 | 246 | 288 | 79 | 110 | 4×M16 | M16×50 |
G25 | 172 | 289 | 410 | 172 | 246 | 288 | 79 | 110 | 4×M16 | M16×50 | |
G40 | 172 | 289 | 410 | 172 | 246 | 288 | 79 | 110 | 4×M16 | M16×50 | |
50 (2") | G16 | 172 | 289 | 410 | 172 | 246 | 288 | 79 | 125 | 4×M16 | M16×50 |
G25 | 172 | 289 | 410 | 172 | 246 | 288 | 79 | 125 | 4×M16 | M16×50 | |
G40 | 172 | 289 | 410 | 172 | 246 | 288 | 79 | 125 | 4×M16 | M16×50 | |
G65 | 172 | 289 | 410 | 172 | 246 | 288 | 79 | 125 | 4×M16 | M16×50 | |
80 (3") | G100 | 172 | 289 | 410 | 172 | 298 | 343 | 100 | 160 | 8×M16 | M16×50 |
G160 | 241 | 324 | 500 | 261 | 346 | 390 | 120 | 160 | 8×M16 | M16×50 | |
100 (4") | G160 | 241 | 324 | 500 | 261 | 346 | 390 | 120 | 180 | 8×M16 | M16×50 |
G250 | 241 | 324 | 500 | 261 | 446 | 490 | 181 | 180 | 8×M16 | M16×50 | |
G400 | 241 | 324 | 500 | 261 | 446 | 490 | 181 | 180 | 8×M16 | M16×50 | |
150 (6") | G400 | 241 | 324 | 510 | 271 | 585 | 642 | 280 | 240 | 8×M20 | M20×60 |
G650 | 241 | 324 | 510 | 271 | 685 | 742 | 330 | 240 | 8×M20 | M20×60 | |
200 (8") | G1000 | 280 | 343 | 568 | 330 | 936 | 840 | 415 | 295 | 12×M20 | M20×60 |
Before ordering the product, please carefully read this manual. Select the appropriate specification based on the nominal diameter, nominal pressure, flow range, maximum medium pressure, medium temperature range, and environmental conditions of the pipeline.
It is strongly recommended to install a filter upstream of this flow meter. The flow meter and filter can be ordered together as a set.
When placing an order, please fill in the correct information according to the coding table. The coding table for the WR series gas Roots flow meter is shown below:
